תכנון והנדסה

בעידן שבו תעשייה חכמה ופרויקטים הנדסיים מורכבים הם חלק בלתי נפרד מהמשק, ניהול מקצועי הופך לכלי מרכזי בהצלחת החברה. בקבוצת אקסלרוד, אנו רואים בניהול לא רק מערך ארגוני, אלא גישה שיטתית המובילה את הפרויקט מרגע הרעיון ועד להשלמתו.

מבנים

בעולם הבנייה המודרני, מבני פלדה הם פתרון אידיאלי לפרויקטים תעשייתיים, מסחריים וציבוריים בזכות חוזקם, הגמישות האדריכלית, והיכולת להקים מבנים במהירות וביעילות. מה שמייחד את העבודה של קבוצת אקסלרוד הוא שילוב מושלם בין תכנון מדויק, ייצור איכותי והרכבה מוקפדת בשטח, עם דגש על בטיחות, קצב ביצוע וחדשנות.

התכנון ההנדסי הוא לב הפרויקט, והוא חייב לקחת בחשבון שיקולים מבניים, פונקציונליים וסביבתיים:

תיאום ציפיות עם הלקוח והקצאת משאבים מדויקת.

שימוש במודלים BIM  ו-CAD: הדמיה תלת ממדית לסנכרון בין מערכות וצמצום תקלות.

תיאום עם דיסציפלינות נוספות: תכנון מבנה בהתאמה לחשמל, מים, אוורור, מערכות לוגיסטיות ועוד.

בכל שלב בתהליך התכנון וההנדסה, אנו מקפידים על בקרת איכות קפדנית, שימוש בתקינה ישראלית ובינלאומית, והתאמה לדרישות בטיחות מחמירות. התוצאה: מבנים תעשייתיים שעומדים בדרישות ההנדסיות הגבוהות ביותר.

תשתיות

כל פרויקט תשתית בקבוצת אקסלרוד מתחיל בניתוח מקיף של צרכי הלקוח, תנאי הקרקע, דרישות רגולטוריות והיבטים סביבתיים. צוות המהנדסים שלנו פועל בשיתוף מומחים מתחומים משיקים, ובונה מערך מותאם אישית לכל פרויקט, הכולל:

התכנון ההנדסי הוא לב הפרויקט, והוא חייב לקחת בחשבון שיקולים מבניים, פונקציונליים וסביבתיים:

חישובי עומסים, זרימות וניקוזים

תיאום עם מערכות קיימות ועתידיות

תכנון תשתיות תעשייתיות: מים, גז, חשמל, תקשורת, וצנרת תהליכית

שילוב פתרונות חסכוניים באנרגיה

כל תכנון נעשה בהתאם לתקני הבטיחות והאיכות המחמירים ביותר – לרבות תקנים ישראליים ובינלאומיים (כגון ISO 9001). אנו מבצעים בדיקות איכות ובקרה לאורך כל התהליך – כדי להבטיח עמידות, יעילות ותפעול חלק של מערכות התשתית לאורך שנים.

ציוד מיוחד

תכנון ציוד מיוחד הוא שלב קריטי בהקמת מערכות תעשייתיות מורכבות. זהו תהליך הנדסי הדורש הבנה עמוקה של תהליכי הייצור, תנאי הסביבה, דרישות הבטיחות והרגולציה – לצד יכולת לתרגם צורך תפעולי לפתרון יישומי, מדויק ויעיל.

בקבוצת אקסלרוד אנו מתמחים בתכנון ציוד ייעודי (Tailor‑Made), המותאם במלואו לצרכי הלקוח ולמאפייני המערכת. כל פרויקט מתחיל באפיון יסודי וממשיך בתכנון הנדסי מוקפד, המבטיח תפקוד אופטימלי לאורך זמן.

תהליך התכנון:

אפיון צרכים ותהליך – ניתוח מעמיק של דרישות הפרויקט, סוג התהליך, עומסים, טמפרטורות, לחצים, חומרים ותנאי סביבה.

תכנון הנדסי מפורט – תכנון מכאני וקונסטרוקטיבי, בחירת חומרים מתאימים ותכנון פתרונות המשלבים יעילות, בטיחות ונוחות תחזוקה.

שילוב עם מערכות קיימות – התאמה מלאה למערכות צנרת, מבני פלדה, חשמל, בקרה ומיזוג – תוך ראייה מערכתית כוללת.

סוגי ציוד שאנו מתכננים: מכלים, משפכים ומגבשים, ארובות, דאקטים ותעלות שירות, ציוד תהליכי, ציוד סובב ייעודי, מתקני אחסון, הולכה ותמיכה למערכות ייצור. הציוד מותאם ומיוצר בהתאם לדרישות המחמירות ביותר והכל בתיאום ודרישות הלקוח (הציוד מיוצר מחומרים מגוונים: פלדה, נירוסטה, אלומיניום, פלסטיק ופיברגלאס)

הנדסה אזרחית

הנדסה אזרחית משלבת יציבות מבנית, תכנון פונקציונלי ותמיכה בתהליכי ייצור תעשייתיים. היא מהווה את התשתית לכל פרויקט והיא דורשת לא רק ידע טכני אלא גם מחויבות, חזון ויושרה מקצועית. קבוצת אקסלרוד פועלת מתוך הבנה עמוקה של צרכי הלקוח, תוך הקפדה על תקנים מחמירים, אחריות סביבתית ושירות בגובה העיניים.

אתגרים:

שילוב עם מערכות ייצור: בנייה המתואמת לפסי ייצור, רובוטיקה, ומערכות תהליכיות.

מודולריות לשינויים עתידיים: התאמה להרחבת פעילות, שינוי במוצר או ציוד.

עבודה בגובה ועם חומרים מסוכנים: תכנון עם שיקולי גישה, בטיחות ומיגון.

התאמה מלאה לצרכי הפרויקט

כל תכנון נעשה בהתאם לתקני הבטיחות והאיכות המחמירים ביותר – לרבות תקנים ישראליים ובינלאומיים (כגון ISO 9001). אנו מבצעים בדיקות איכות ובקרה לאורך כל התהליך – כדי להבטיח עמידות, יעילות ותפעול חלק של מערכות התשתית לאורך שנים.

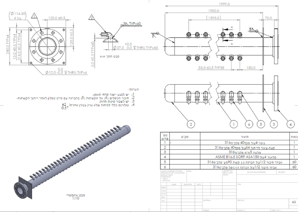
מערכות צנרת

אנו מתמחים בתכנון וביצוע של מערכות צנרת תעשייתיות מורכבות, המותאמות לצרכים מגוונים בענפי המזון, הכימיה, האנרגיה, המים ועוד. אנו מספקים פתרונות כוללים – מהשלב ההנדסי ועד ההתקנה והתחזוקה – תוך הקפדה על איכות, בטיחות ועמידה בתקנים.

צנרת לנוזלים וגזים, צנרת תהליכית למפעלי מזון

מערכות מים, קיטור ואוויר דחוס

מערכות ניקוז ושפכים תעשייתיים

צנרת מבנית כחלק ממבני פלדה

תכנון מותאם אישית – כל מערכת נבנית לפי צרכי הלקוח, סוג החומרים, תנאי השטח והתקנים הנדרשים. שילוב מערכות צנרת כחלק אינטגרלי מהמבנה – כולל תעלות שירות, בידוד, מעברים טכניים ומערכות גיבוי. תכנון, ייצור, התקנה ותחזוקה – הכל תחת קורת גג אחת.